Norges landbrukshøgskole, Institutt for tekniske fag
Løsning til eksamen i kurset
TML300 Reguleringsteknikk
holdt 2. desember 1999 kl. 0900 1400 (5 timer)
Hjelpemidler: Ingen trykte eller håndskrevne
hjelpemidler. Kalkulator ikke tillatt.
Kontakt under eksamen: Finn Haugen (faglærer), tlf.
3557 5166 eller 9701 9215.
Tallene ved hver oppgave angir oppgavens relative vekt ved sensur i prosent.
- Se figuren nedenfor.

- (6) Figuren nedenfor viser et instrumenteringsskjema for
temperaturreguleringssystemet basert på kaskaderegulering.
- (4) Fordel med kaskaderegulering: Trykkreguleringssløyfen vil
kompensere for trykkvariasjoner i damptilførselen. Dette vil
medføre at effekttilførselen blir jevnere, dvs. mindre
påvirket av trykkvariasjonene, og dette vil igjen medføre at
temperaturen får et jevnere forløp.
- (5) Figuren nedenfor viser strukturen ved forholdsregulering.

Hensikten med forholdsregulering er å styre en massestrøm
(q2) slik at forholdet mellom denne strømningen og en annen
(fri) strøm (q1) er som spesifisert.
- (7) Ideell PID-regulator:
der
u0 er nominelt pådrag.
up=Kp e er proporsjonalleddet. Kp
er forsterkningen.
ui=(Kp/Ti) * (integralet av
avviket e fra 0 til t) er integralleddet. Ti er integraltiden.
ud=KpTdde/dt er derivatleddet.
Td er derivattiden.
- (8) Finn amplitudefunksjonen og fasefunksjonen for frekvensresponsen for
transferfunksjonen
h(s)=K(T1*s+1)*e-Ts/(T2*s+1)
Frekvensresponsen er h(jw)=K(T1jw+1)*e-Tjw/(T2w+1)
Ved å skrive telleren på polarform og nevneren på polarform,
fås
Amplitudefunksjonen=|h(jw)|=K×sqrt(T12w2+1)/sqrt(T22w2+1)
Fasefunksjonen=arg[h(jw)]=arctan(T1w) -
arctan(T2w) - Tw[rad]
- (4) Den tilsvarende statiske responsen i y blir
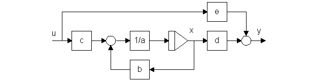
- (6) Skriver modellen på formen
dx/dt=(1/a)(bx+cu)
y=dx + eu
Blokkdiagrammet er vist i figuren nedenfor.
- (6) Laplacetransformasjon av modellen gir
asx(s)=bx(s)+cu(s)
y(s)=dx(s) + eu(s)
Eliminering av x(s) mellom ovenstående to likninger og ordning av det
resultarende uttrykket gir følgende transferfunksjon fra u til y:
-
- (2) lsim simulerer en lineær, tidsinvariant modell
(transferfunksjon eller tilstandsrommodell) for brukergenererte
inngangsvariable (av vilkårlig type).
- (2) tf definerer et LTI-objekt av typen transferfunksjon.
- (2) bode plotter (i et Bodediagram) og/eller beregner
frekvensresponsen for et LTI-objekt.
- (9) Modellen baseres på massebalanse:
dm/dt=rq1
- rq2
som med m=Arh og q1=Ku innsatt og deretter med r forkortet, gir
- (4) Transferfunksjonen for et system som har forsterkning 3 og tidskonstant
7 [sek]:
h(s)=K/(Ts+1) der K=3 og T=7
- (6)
- Reguleringssløyfen koples opp.
- Regulatoren skal være en P-regulator, hvilket oppnås med
Ti så stor som mulig og Td=0.
- Kp settes lik null.
- Det nominelle pådrag u0 justeres slik at prosessen holdes
i arbeidspunktet (dvs. slik at prosessutgangen er lik referansen eller
settpunktet).
- Kp økes inntil det oppstår stående
svingninger i sløyfen. Den tilsvarende Kp beregnes den
kritiske Kp=Kpk. Periodetiden Tk i
svingningene (kan observeres f.eks. i pådraget eller
prosessmålingen) måles.
- PID-parametrene beregnes som funksjoner av Kpk og Tk
ihht. Z-N-formlene.
- De beregnede regulatorparametrene legges inn i regulatoren.
- (6) Fordi prosessdynamikken varierer med massestrømmen, og når
prosessdynamikken varierer, bør (må, i visse tilfeller)
regulatorparametrene justeres slik at regulatioren til enhver tid er tilpasset
prosessdynamikken, slik at reguleringssystemet har tilfredsstillende stabilitet
og raskhet. Mer presist: Jo mindre massestrømmen er, jo større
vil forsterkningen og tidsforsinkelsen (og tidskonstanten) være, og
dersom regulatorparametrene ikke justeres i overensstemmelse med disse
endringene, vil reguleringssystemet få dårligere stabilitet.
- (6) En generell 2. ordens lineær tilstandsrommodell med 1
inngangsvariabel og 2 utgangsvariable (modellen dekker alle konkrete eksempler
på slike modeller):
dx1/dt=a11x1+a11x1 +
b1u
dx2/dt=a21x1+a22x2+b2u
y1=c11x1+c12x2+d1u
y2=c21x1+c22x2+d2u
eller
der (i Matlab-notasjon)x=[x1; x2]
u=u (skalar)
y=[y1; y2]
A=[a11, a12;
a21a22]
B=[b1; b2]
C=[c11, c12; c21c22]
D=[d1; d2]
[Kursets hjemmeside]
Oppdatert 8.12.99 av Finn Haugen (e-post:
Finn.Haugen@hit.no).
|