Bergen tekniske fagskole: Fag: Automatiserte anlegg, studieåret 2006/2007

Løsning til øving 10

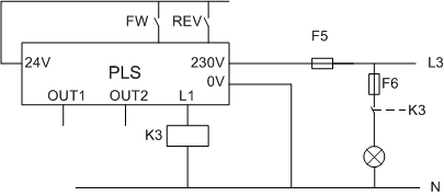
  1. Se figur 1 nedenfor.

    Figur 1
     

  2. Figur 2 nedenfor viser ladderprogrammet, og figur 3 viser PLS m/hovedstrømskjema.

    Figur 2

     

    Figur 3


[Fagets hjemmeside] [Framdriftsplan]


Oppdatert 9.10.06 av Finn Haugen, faglærer. E-postadresse: finn@techteach.no).