Bergen tekniske fagskole: Fag: Automatiserte anlegg, studieåret 2006/2007

Løsning til øving 9

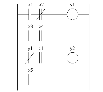
Ladderdiagram:

Funksjonsblokkdiagram (logikkdiagram):

(Det er her brukt litt andre symboler enn i læreboken.)


[Fagets hjemmeside] [Framdriftsplan]


Oppdatert 27.6.06 av Finn Haugen, faglærer. E-postadresse: finn@techteach.no).