Norges landbrukshøgskole, Institutt for tekniske fag
- Funksjonsblokkdiagrammet er vist i figur 1.

Figur 1
- De oppgitte verdiene gir y1=1*inv(0)+1*0=1 og y2=inv(1)*1+1=1.
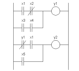
- Ladderdiagrammet er vist i figur 2.

Figur 2
- Y1=u3*(u1*u2+y1+u2)
Y2=u3*(u1*u2+y1+u2)
Y3=u1*u2+y1+u2
-
| Sannhetstabell for v1=x*y |
| x |
y |
v |
| 0 |
0 |
1 |
| 0 |
1 |
1 |
| 1 |
0 |
1 |
| 1 |
1 |
0 |
| Sannhetstabell for v2=x+y |
| x |
y |
v |
| 0 |
0 |
1 |
| 0 |
1 |
1 |
| 1 |
0 |
1 |
| 1 |
1 |
0 |
Siden utgangene v1 og v2 er identiske for alle mulige kombinasjoner av
x og y, er x*y og
x+y identiske.
[Til kursets hjemmeside] [Til
framdriftsplanen]
Sist oppdatert 11.4.04 av Finn Haugen (e-post-adresse: Finn@techteach.no).
|